介质:压缩空气、惰性气体
介质温度:0 ... 60℃
环境温度:0 ... 60℃
工作电压:DC 24V
进气口:G3/8
出气口:G3/8
排气口:G3/8
防护等级:IP65
重量:2.5 kg
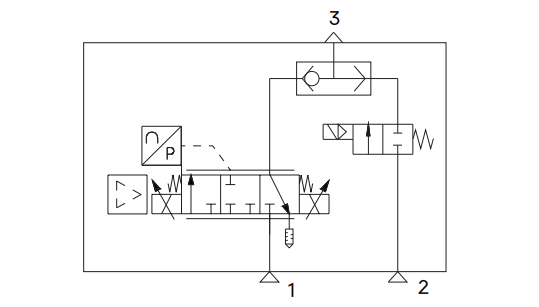
比例阀通径:5mm
控制方式:模拟量0-10V
功率消耗:max.32W
最大工作压力:11bar
压力调节范围:0-10bar
压力波动范围:5%
重复精度:1%
直动式开关阀通径:3mm
最大工作压力:30bar
功率消耗:18W
先导式开关阀通径:10mm
最大工作压力:30bar
功率消耗:18W
梭阀通径:7.2mm
最大工作压力:30bar
