PV05两路小流量集成阀组LIV00-05-10-02-00-03-00-SLG

下载资料
产品概述
技术参数
产品功能
产品概述
技术参数


介质:压缩空气、惰性气体


介质温度:0 ... 60℃


环境温度:0 ... 60℃


工作电压:DC 24V


进气口:G3/8


出气口:G3/8


排气口:G1/8


防护等级:IP65


重量:2.4 kg


比例阀通径:5mm


控制方式:模拟量0-10V


功率消耗:max.32W


最大工作压力:11bar


压力调节范围:0-10bar


压力波动范围:5%


重复精度:1%


直动式开关阀通径:3mm


最大工作压力:30bar


功率消耗:18W


梭阀通径:6mm


最大工作压力:30bar




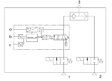
产品功能

专注于流体技术,通过创新产品和解决方案,提供可持续的生产力
与衍磁一键互联

随时、随地为您提供专业经验、技术和服务,助您实现可预期的成功。

联系 0411-81301987

邮件 info@yanztek.com

地址 中国 · 大连市开发区辽河中二路一号3-7

© 衍磁技术All Rights Reserved 辽ICP备2023011156号-1 Design by Aidimedia